• 91免费版黄片,91免费视频网址大全,91免费版网站,91免费视频安装

    上海91免费视频安装91免费版黄片有限公司
    聯係91免费版黄片 聯係91免费版黄片
    加入收藏 加入收藏
    設為首頁 設為首頁
    RSS RSS XML link
    網站首頁 首    頁 公司簡介 公司簡介 產品展示 產品展示 榮譽證書 榮譽證書 檢測設備 檢測設備 合作夥伴 合作夥伴 行業新聞 行業新聞 聯係91免费版黄片 聯係91免费版黄片
     
    產品目錄
    RXQ型線繞91免费版黄片 01、RXQ型線繞91免费版黄片
    RXG20型線繞波紋91免费版黄片 02、RXG20型線繞波紋91免费版黄片
    RXG20-F型負載91免费版黄片 03、RXG20-F型負載91免费版黄片
    RXLG鋁殼製動91免费版黄片 04、RXLG鋁殼製動91免费版黄片
    LX係列大電流負載91免费版黄片 05、LX係列大電流負載91免费版黄片
    ZG12阻尼電阻 06、ZG12阻尼電阻
    RX30大功率91免费版网站 07、RX30大功率91免费版网站
    BX6係列滑線電阻 08、BX6係列滑線電阻
    BX7係列滑線電阻 09、BX7係列滑線電阻
    BX8係列滑線電阻 10、BX8係列滑線電阻
    BC1型旋臂式變阻器 11、BC1型旋臂式變阻器
    BC1-W無底盤型旋臂式變阻器 12、BC1-W無底盤型旋臂式變阻器
    ZB1-2-3-4型板型91免费版黄片 13、ZB1-2-3-4型板型91免费版黄片
    ZG3管型電阻 14、ZG3管型電阻
    ZX1 、ZX15型91免费版黄片 15、ZX1 、ZX15型91免费版黄片
    ZX9 、ZX12型91免费版黄片 16、ZX9 、ZX12型91免费版黄片
    ZX18不鏽鋼91免费版黄片 17、ZX18不鏽鋼91免费版黄片
    KQF開啟式變頻製動91免费视频网址大全 18、KQF開啟式變頻製動91免费视频网址大全
    RXG-F變頻製動91免费视频网址大全/櫃 19、RXG-F變頻製動91免费视频网址大全/櫃
    BXT可調91免费视频网址大全/櫃 20、BXT可調91免费视频网址大全/櫃
    RX-F三相負載91免费视频网址大全/櫃 21、RX-F三相負載91免费视频网址大全/櫃
    WR-F直流負載91免费视频网址大全/櫃 22、WR-F直流負載91免费视频网址大全/櫃
    RYB儀表型可調91免费视频网址大全 23、RYB儀表型可調91免费视频网址大全
    PLC可編程控製負載箱/櫃 24、PLC可編程控製負載箱/櫃
    DS-F定時控製負載箱/櫃 25、DS-F定時控製負載箱/櫃
    ZB係列旋轉式變阻器 26、ZB係列旋轉式變阻器
    BLP1-10係列電動傳動勵磁變阻器 27、BLP1-10係列電動傳動勵磁變阻器
    BP-300/500型穩定91免费版黄片 28、BP-300/500型穩定91免费版黄片
    老化負載箱 29、老化負載箱
    RX21被柒線繞電阻 30、RX21被柒線繞電阻
    RX27線繞陶瓷絕緣91免费版黄片 31、RX27線繞陶瓷絕緣91免费版黄片
    ZG11被釉管型線繞電阻 32、ZG11被釉管型線繞電阻
     
    數字可變電阻補償穩壓器的溫度漂移 當前位置:首頁 > 行業新聞 > 數字可變電阻補償穩壓器的溫度漂移

    數字可變電阻補償穩壓器的溫度漂移


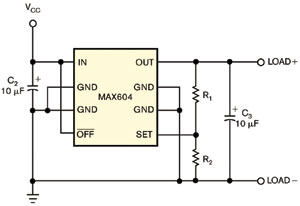
      可變電阻如果集成了可編程溫度索引查詢表,就能補償穩壓器的溫度漂移。在這種情況下,查詢表能在–40℃~+102℃範圍內,每2℃改變一次阻值,從而抵消由溫度導致的穩壓器輸出變化。典型的穩壓電路包含穩壓元件、反饋電阻分壓器,以及若幹針對瞬態和負載開關狀況來提供濾波和穩壓的電容(圖1)。兩個反饋分壓電阻的比例設定了穩壓器輸出電壓。穩壓器可生成預設的3.3V或其工作範圍內的任何用戶自定義輸出。

    圖1

    圖1,借助典型的穩壓器,您可以通過調節R1/R2分壓器來設置穩壓輸出級別。

      對於多數穩壓電路,輸出電壓會隨溫度輕微變化,變化範圍是該電路標稱電壓的97.6%至101.5%。這些數字令人欽佩,但您仍能進一步改善它們。首先,在圖1所示的穩壓電路中放入一個數控可調電阻,使它與R2並聯(圖2)。內部非易失存儲器中的溫度索引查詢表控製著這個50kΩ數字電阻,使您能為每個2℃窗口設定不同阻值。

    圖2

    圖2,如果把與R2並聯的雙路可變電阻的一半連接到圖1中的電路,您就能實現穩壓輸出電壓的溫度補償。

      您可以設定查詢表來提供任何阻值與溫度曲線。在本例中,查詢表使穩壓器隨溫度變化的常態曲線變平坦。因此,這些查詢表提供了一個關於溫度的正阻值斜率。電阻有256個可編程阻值設置,每個設置約為192Ω。在本例中,查詢表的設置為143(溫度–40℃)。溫度每變化4℃到6℃,這些設置就增加1,因此在環境溫度時達到152,+85℃時為158。

    圖3

    圖3 這些曲線把圖1所示電路(黑色)和得到補償的圖2所示電路(粉紅)的穩壓輸出隨溫度變化情況做了比較。

      如圖3所示,在整個溫度範圍內,穩壓性能在精度方麵顯著提升:–45℃~+85℃內的變化幅度現在僅為±2 mV。為對比起見,請注意圖1中的標準穩壓電路的響應(黑色曲線)。圖2中的數字電阻IC包含三種用於監視外部電壓的ADC輸入。作為備選品的DS1847雙路可變電阻提供類似性能,而且不帶有ADC監視器,成本也更低。

    發布人:91免费版黄片廠家 來源:www.fsxfbz.com 時間:14-02-19
    本文鏈接地址:http://www.fsxfbz.com/news_detail.asp?id=5

    上一條: 小小91免费版黄片背後醞釀著的能量不可小覷 下一條: 變頻器製動電阻的應用範圍
    上海91免费视频安装91免费版黄片有限公司
    COPYRIGHT 上海91免费视频安装91免费版黄片有限公司 www.fsxfbz.com 滬ICP備66850065號-4
    地址:上海市嘉定區曹安公路1855號 電話:021-62162390 62851275 62456828
    傳真:021-62577121 郵編:200062 E-mail:sales@shyongling.com 上海91免费视频安装91免费版黄片百度統計
    首頁 電阻新聞 熱門關鍵詞:鋁殼電阻,滑動變阻器,可調電阻,變頻器製動電阻,大功率電阻,線繞電阻,電阻櫃,網站地圖
    網站地圖